南阳防爆电机安装方式 支撑杆(架)安装 B30安装
发布时间:2025-10-29
点击:次
二维码分享
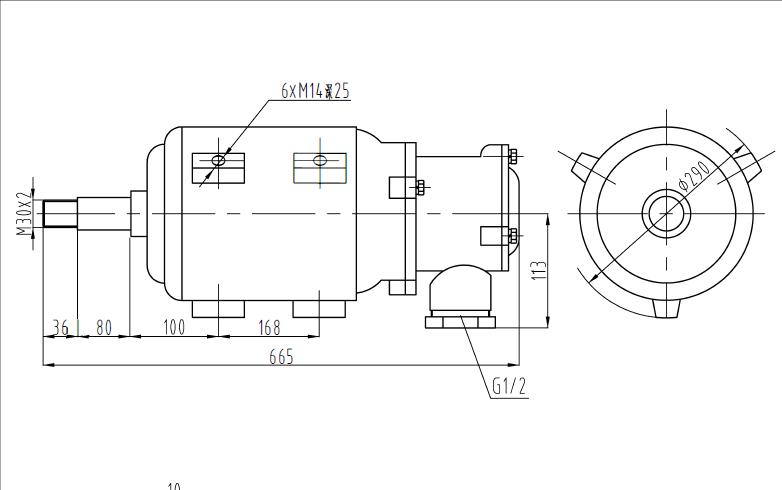
有一种南阳防爆电机的安装方式很独特,既不靠地脚安装,也不靠法兰安装,靠的是固定在机壳上的几根支撑杆安装的。
如果用专业术语来表示,这种安装方式被称为B30安装。
支撑杆安装的南阳防爆电机,主要应用于轴流风机上。其直线型的整体结构,对风机的风流阻碍较小,非常有利于风流通过。

支撑杆(架)安装的南阳防爆电机
支撑杆安装的南阳防爆电机,其显著的特征有以下几个方面:
1. 安装方式独特-非卧式地脚安装,也不是立式法兰安装,而是支撑杆安装。
2. 电机接线盒在电机的尾部- 由于是支撑杆安装,接线盒无法设计到机身上,于是就安排到了电机的尾部,从而使电机具备了直线型的整体结构,更适合轴流风机使用。

支撑杆(架)安装的南阳防爆电机
3. 电机不带风扇叶,也不带风扇罩-因为支撑杆安装的南阳防爆电机,其主要的应用是轴流风机,其所处的环境中有持续的风流通过,电机在完成对风机风叶驱动的同时,自己也可以获得充分的冷却。
4. 机座号较小,一般只能做到132mm机座,这是因为,一方面,防爆电机比较重,机座号过大的电机,已很难通过机壳上的几个螺栓支撑起来。另一方面,如果要用到功率比较大的电机,风机的设计结构也会有变化,也就不再需要支撑杆安装的电机了。

支撑杆(架)安装的南阳防爆电机
5. 轴伸一般会带有螺纹,或者螺纹中心孔。这是为了固定风机叶轮的方便。

支撑杆(架)安装的南阳防爆电机
如果用专业术语来表示,这种安装方式被称为B30安装。
支撑杆(架)安装的南阳防爆电机
很多人不知道B30这个概念,更愿意说这是支撑杆安装,或者支撑架安装。支撑杆安装的南阳防爆电机,主要应用于轴流风机上。其直线型的整体结构,对风机的风流阻碍较小,非常有利于风流通过。

支撑杆(架)安装的南阳防爆电机
支撑杆安装的南阳防爆电机,其显著的特征有以下几个方面:
1. 安装方式独特-非卧式地脚安装,也不是立式法兰安装,而是支撑杆安装。
2. 电机接线盒在电机的尾部- 由于是支撑杆安装,接线盒无法设计到机身上,于是就安排到了电机的尾部,从而使电机具备了直线型的整体结构,更适合轴流风机使用。

支撑杆(架)安装的南阳防爆电机
3. 电机不带风扇叶,也不带风扇罩-因为支撑杆安装的南阳防爆电机,其主要的应用是轴流风机,其所处的环境中有持续的风流通过,电机在完成对风机风叶驱动的同时,自己也可以获得充分的冷却。
4. 机座号较小,一般只能做到132mm机座,这是因为,一方面,防爆电机比较重,机座号过大的电机,已很难通过机壳上的几个螺栓支撑起来。另一方面,如果要用到功率比较大的电机,风机的设计结构也会有变化,也就不再需要支撑杆安装的电机了。

支撑杆(架)安装的南阳防爆电机
5. 轴伸一般会带有螺纹,或者螺纹中心孔。这是为了固定风机叶轮的方便。

支撑杆(架)安装的南阳防爆电机
标签:
南阳普通电机型号 











